Проводка в гараже: требования правил
Не делая подробных ссылок на нормы электроснабжения гаража СНИП и ПУЭ (правила устройства электроустановок), и прочие правила, что сделало бы статью громоздкой и трудночитаемой, все же необходимо выписать саму суть.
Если гараж находится в кооперативном владении, то потребуется получить разрешение для его электрификации. Узнать подробности можно у администрации кооператива.
Для подключения к трехфазной сети 0.4 кВ (380 В) необходимо обратиться в местное предприятие электроснабжения. Если все делается по правилам, то они же составят проект по требованиям заказчика. (На самом деле такой проект возникает как согласование пожеланий заказчика с возможностями и ограничениями правил.)
Можно сделать своими руками монтаж электропроводки в гараже, а также выполнить все монтажные работы. Но это только тогда когда речь идет об однофазной сети 220 В. Для подведения трехфазной сети потребуется разрешение. А монтаж до отдельного счетчика будет делать уполномоченная организация (местный электроснаб).
В случае сети 220 В позаботьтесь о счетчике, рассчитанном на ток в 50 Ампер, чтобы в случае необходимости был запас по току нагрузки. Разумеется, кабели от ввода должны этот ток обеспечивать. Эта работа также делается специалистами при контроле энергонадзора.
Если ваш счетчик уже такой ток обеспечивает (видно на самом счетчике), то можно делать подключение к гаражу, по воздуху, или под землей.
Как сделать проводку в гараже своими руками — фото:


Как провести электропроводку в гараже? Сначала обсудим то, что можно делать самостоятельно, своими силами. Из дома можно провести электричество в гараже по воздуху или под землей. Воздушную линию делают кабелем и подвешивают на стальной несущей проволоке диаметром 3 мм.
Линию под землей тянут в гофрированной трубе из пластика, в траншее глубиной 80 см, на подушке из песка, толщиной 10 см. Эта линия подключается к домашнему счетчику и является, таким образом, частью квартирной проводки, в качестве отдельной линии, также защищенной автоматом.
В самом помещении устанавливается сделанный своими руками электрический щиток в гараж для дальнейшего распределения электроэнергии (схему электрощитка для гаража смотрите ниже). И этот электрический щиток для гаража начинается с главного автомата, такого же, как и в квартире. О выборе номинального тока для них скажем ниже.
Схема распределительного электрощитка для гаража своими руками:
Как сделать своими руками
Если вас не пугают кусачки и пассатижи, слово ПУЭ не является ругательством, и аббревиатура ПУГНП не вводит вас в состояние глубокого транса, значит, электропроводка в гараже своими руками, схема которой будет рассмотрена в нашей статье, вполне окажется вам по силам.
Мы не будем проектировать мини-автосервис с подъёмниками, станочным парком и несколькими постами сварки. Равно как и не станем ограничиваться «дедушкиным вариантом» с одинокой лампочкой в центре потолка и розеткой для подключения «переноски». Итак, приступим.
Стандартная схема электропроводки в гараже включает в себя:
- установку средств защиты от поражения током;
- прокладку кабелей;
- подключение освещения;
- размещение розеток.
Внутренняя проводка
Внутренняя электропроводка
Особенности могут рождать материалы, из которых построен гараж. Если он сооружен из блоков, кирпича, то обычно провода заглубляют в материал, то есть скрывают от людского глаза. Так многим кажется эстетичное помещение. Для этого используют схему разводки электропроводки в гараже. Она указывает, где необходимо поместить розетки. И где находится место счётчика
То, что содержит разметка, очень важно при условии, когда стоит задача, как самому сделать электропроводку в гаражах. Говорят, что делает толковую электропроводку схема подключения в гараже
Чтобы она была в реальности такой, необходимо выбирать качественные материалы , руководствуясь окпд.
Установка счётчика долга быть логичной. Не высоко и не низко. Чтобы было удобно снимать показания. Розетки следует размещать на высоте от пола в зависимости от их функционального применения. Как правило, розетки устанавливают и снаружи гаража. Рекомендуется использовать только метеозащитные розетки. Эти и другие требования могут быть необязательным, на усмотрения, того, кому приходится делать электропроводку гаража самому.
Как провести электричество в индивидуальный гараж.
Провести электричество в гараж очень просто, если он расположен рядом с домом, линией электропередач или электрическим щитом. Если у Вас частный дом или электрощит в вашей собственности, тогда все просто. Покупаем бронированный кабель и прокладываем его в гараж до места, где будет в нем расположен распределительный щит с автоматами, от которого будет расходится электропроводка. Как ее сделать читаем в этой нашей статье.
Что бы упростить и удешевить процесс, некоторые прокладывают простой ВВГ кабель в ПНД трубе, которую необходимо закапывать на глубину не менее 70 сантиметров. Если гараж находится рядом с домом, то наилучшим будет вариант прокладки с подвязкой к тросу линии электропитания по воздуху.

Толькоиспользуйте специальный провод СИП или другой кабель, изоляция которого устойчива к атмосферным воздействиям. Ввод в гараж осуществляется при помощи гусака или загнутой железной трубы, что предотвращает попадание воды во внутрь. Если дом или гараж деревянный, то по действующим правилам кабель должен прокладываться по сгораемому основанию только в металлических трубах.
Ввод в гараж осуществляется либо через отверстие в фундаменте на глубине не менее 60 сантиметров, в которое закладывается асбестоцементная труба. Но чаще делается проход через стену в металлических или пластиковых трубах на высоте 2-3 метров. Но помните, что кабель должен быть защищен от механических повреждений- должен быть в металлической трубе или под уголком до высоты 2.5 метра от уровня земли.
На запитывающем щите, кабель берется с автомата необходимого номинала, а в гараже подключается на вводной автомат гаражного щитка.
Если же место подключения принадлежит другому человеку или организации. Вам необходимо будет обратиться к ним. Для выяснения необходимых условий по подключению. При этом Вам необходимо будет установить прибор учета электроэнергии. Как установить и подключить однофазный электрический счетчик (220 В) читаем в этой статье, а про 3 фазный на 380 Вольт- здесь.
Для чего необходим электрощиток и что надо предусмотреть
Прежде чем оснащать помещение электричеством, придется определить, для чего их устанавливают. Выделяют несколько разновидностей приборов, которые имеют разное предназначение. К ним относят:
- Устройства вводно-распределительного типа. Такие модели устанавливаются, если надо принять электрическую энергию от сети или трансформатора. Оборудование оснащено приборами, которые отвечают за подсчет расходованного электричества, и дополнительными защитными панелями.
- Распределительный щиток. По своим функциональным возможностям устройство напоминает предыдущую модель. Однако оно более функциональное, так как в нем устанавливаются элементы учета израсходованной энергии и приборы для контролирования работоспособности щитка.
- Щит резервного типа. В приборе имеются специальные компоненты, которые при серьезных авариях на линии переключаются на резервные источники электроэнергии.
- Обогревательный. Используют для подключения оборудования, которое отвечает за обогрев и освещение помещения.
Спецификация электрооборудования и материалов
Спецификация — это список необходимых материалов. Неправильно составленная спецификация приведёт к ошибкам комплектации.
Спецификация учитывает количество кабелей по каждому типу в отдельности и способ прокладки с крепежами, коробами или гофрированными шлангами.
Если количество материалов достаточно большое, то имеет смысл заказать материалы через Интернет или обратиться к дистрибьютору электрооборудования.
Специалисты из выполнят проектирование энергоснабжения гаража как по типовому электропроекту, так и индивидуальное, по любым техническим условиям на электроснабжение. Компания работает в Москве и Московской области, а также в прилегающих областях. Возможно дистанционное сотрудничество. Связаться с представителями или оставить сообщение можно по телефонам и форме обратной связи на странице «Контакты».
Какое сечение медного кабеля нужно для проводки в гараж?
Какое сечение кабеля нужно для проводки в гараж?Провод для электропроводки в гараже — какого сечения выбрать?
Выбор сечения проводки стоит начинать с мощности потребителей, которые будут подключаться
Важно есть ли у Вас в гараже 3-хфазное напряжение
Освещение желательно делать медным кабелем сечением не менее 1,5 мм.кв. При мощности светильников(ламп) до 500Вт. Если мощнее — нужно выбирать сечение провода больше.
Розетки и подключение станков нужно делать медным кабелем сечением не менее 2,5 мм.кв.
Ещё про выбор сечения провода можно почитать по этой ссылке.
И главное — не забудьте сделать контур заземления!
Если вы не планируете сделать из своего гаража СТО, и как следствие оснастить его мощным электрическим оборудованием, то тратиться на трехфазный счетчик, лишние метры и квадраты меди — не стоит.
Подвод к гаражу, от опоры линии электропередач можно сделать СИПом сечением 16-24 квадратных миллиметра (алюминий), если от домового щита, то таким же сечением каким выполнена линии до него (толще смысла нет) Если подвод выполняется медным кабелем то хватит и 8-10 квадратов.
Разводка осветительной линии выполняется медным кабелем 1,5 квадрата.
Розеточная группа ведется проводом 4 квадрата.
В моем гараже на одно машиноместо, разводка выполнена таким образом. Балгарка, сварка, другой электроинструмент работает — ни чего не греется.
Правила создания схемы
Способ подключения гаража к электроснабжению будет зависеть от его месторасположения. В кооперативных гаражах к каждому боксу подведено электропитание. В такой ситуации владелец гаража самостоятельно разрабатывает схему электропроводки с учетом предельно допустимой мощности. Например, мощности 10А хватит только на то, чтобы пользоваться электрическим освещением и включать маломощные электроприборы. Мощность 16А позволит пользоваться приборами помощнее: например, бытовой электросваркой. А мощность 25А не предполагает каких-либо ограничений, и владелец гаража сможет использовать любой требуемый аппарат, работающий от сети.
Гаражи, располагающиеся на территории частного дома, обычно подключаются к электросети через общие автоматы. Зная, какое количество электроприборов потребляет электроэнергию в доме, можно будет рассчитать мощность электрооборудования, которое планируется подключать в гаражном помещении. Если планируется организовать свою домашнюю автомастерскую, то лучше подключить отдельную линию на 220В или 380В.
Схема проводки в гараже составляется с учетом того, какими электроприборами предстоит пользоваться в процессе эксплуатации помещения. Необходимо учитывать, какое количество лампочек будет гореть, и где они будут располагаться. Если гараж будет использоваться только для стоянки авто, то розеток и светильников лучше сделать по минимуму.

Нужно будет позаботиться о том, чтобы включить в схему устройство защитного отключения, которое предотвратит поражение током владельца помещения. Здесь необходимо учитывать ток нагрузки линии электропроводки, чтобы прибор смог сработать, когда это потребуется. Также нужно позаботиться о приобретении автоматических выключателей. Чтобы каждая линия была подключена автономно, нужно учитывать общую мощность подключаемых приборов и верно рассчитать сечение провода.
Простая схема включает в себя спаренные автоматические выключатели, одну или две розетки и несколько лампочек, которые управляются одноклавишным выключателем, то есть освещение будет регулироваться только им, и свет будет гореть везде сразу. Одна розетка также будет включена в цепь с лампочками, а другая — подключена к автомату. Таким образом, уходя из гаража, владелец будет уверен, что выключил свет и питание в розетках.
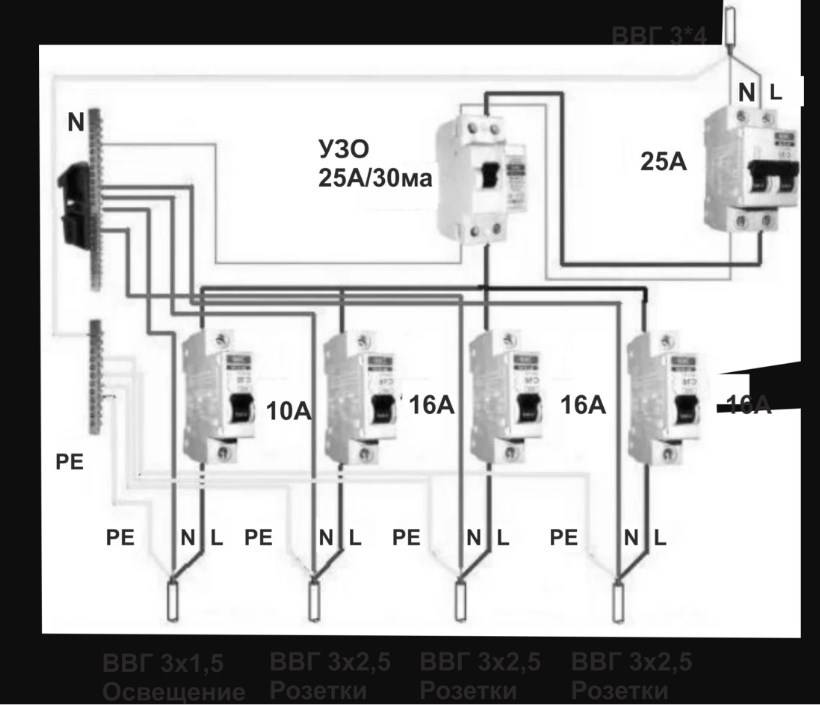
Схема электропроводки гаража со смотровой ямой будет несколько сложнее. В неё будут входить две группы освещения, две группы розеток, один электрический щит с вводным автоматом, УЗО и несколькими автоматическими выключателями.

Владелец гаража должен определиться с точкой ввода внешнего силового кабеля и местом установки щитка. При составлении схемы нужно учитывать, где будут располагаться светильники, розетки. Линии проводки должны прокладываться только в вертикальном или горизонтальном направлениях: переход из одного направления в другое осуществляется только под прямым углом.
Также необходимо обратить внимание на следующее:
- Расстояние горизонтальных участков проводки от пола или потолка до углов гаража, проемов окон или дверей должно составлять не менее 15 см. То же самое касается и отопительных приборов.
- Чтобы правильно рассчитать количество розеток, нужно помнить, что одна розетка рассчитывается на 6 квадратных метров. Розетки должны располагаться над полом на высоте 50-60 см.
- Выключатели должны монтироваться на некотором расстоянии от дверных и оконных проемов и располагаться на высоте 1,5м от пола.
- В смотровой яме розетки и выключатели для лампочек не устанавливаются.
Требования к монтажу проводки
Существует ряд серьезных требований для правильного монтирования системы питания:
- Провод электрический нужно укладывать строго по горизонтальной и вертикальной оси, изменения направления происходят под углом 90 градусов;
- Нужно выдерживать отступ минимум в пятнадцать сантиметров от проходящих коммуникаций и переходов;
- Выключатель крепится на расстоянии 160 см от пола и 20 см от дверного проема;
- Установка розеток происходит на высоте 50 см от напольного покрытия;
- В смотровой яме запрещено монтировать выключатели и розетки, их нужно смонтировать на одной из стенок;
- В обязательном порядке разводка электропроводки в гараже должна происходить по разным секциям, розетки по одной, а освещение по другой.
- Необходимо правильно подобрать сечение провода, независимо от того какая схема электропроводки в гараже выбрана: трехфазная или однофазная.
Расходные материалы и инструменты
Заранее составив схему электропроводки, закупают необходимые материалы. Всего должно хватать, поэтому лучше купить больше, чем меньше.
Для проведения работ нужны:

- распределительный щит;
- узо и счетчик (если необходим);
- подрозетники в том количестве, сколько будет отверстий под розетки;
- выключатели;
- распределительные коробки, каждая на отвод под розетки и выключатели;
- медный провод из трех жил 2,5 мм, количество рассчитывается по схеме + 10% на запас;
- гофрированный трубы под проводку из ПВХ;
- розетки;
- разные инструменты для монтажа от отвертки до перфоратора.

Чтобы верно произвести расчет сечения кабеля, нужно знать, какие приборы будут подключаться к сети в конкретном помещении. Общую – суммарную мощность всех устройств множат на коэффициент 1,2, а затем в таблице находят подходящее значение.
Розеток должно быть не меньше двух, потому что мало их не бывает, всегда появляется необходимость в дополнительной.

Выбираем правильно материал и инструменты
Поскольку гараж представляет собой сооружение с повышенной влажностью. Кроме влажности, в данной ситуации необходимо учитывать возможный уровень нагрузки. Специалисты рекомендуют отдавать предпочтение розеткам, рассчитанных на максимальную силу тока на 16 А. Такая сила тока соответствует подключению оборудования примерно в 3,5 кВт. Этого для данного помещения будет вполне достаточно.
Силовые линии нужно монтировать только в специально защитных рукавах (гофре). Его можно заменить пластиковыми каналами для кабелей. На вводе силовых линий необходимо установить электрощиток. В нем обязательно должен быть установлен центральный выключатель.
Для самой проводки рекомендуется покупать продукцию с медными жилами (например, ПВ-3).
Кроме этого вам понадобятся следующие материалы:
- перфоратор/дрель;
- нож (обязательно хорошо заточенный);
- кусачки;
- крестовая отвертка.
Помимо этого для проводки понадобятся заранее купленные осветительные установки, выключатели и розетки.
Особенности создания схемы электропроводки
Перед тем, как сделать проводку в гараже своими руками, следует уделить особое внимание схеме. Именно с неё начинается весь процесс. Автомат и защита УЗО
Автомат и защита УЗО.
Для начала нарисуйте чертёж гаражного помещения, на котором указываются:
вводная линия, подходящая к гаражному зданию;
места установления светильников, включая само помещение, смотровую яму и погреб, если они есть;
распределительный щиток – для удобства рекомендуется устанавливать его ближе к входу, так будет проще обесточить гараж;
места размещения розеток – важно учесть все варианты, где понадобится подключать электроинструменты;
высота установки каждого элемента – розетки устанавливаются на высоте хотя бы 60 см от пола, выключатели – 1,5 метра, а распределительная коробка устанавливается в 20 см от потолка;
примерный маршрут электропроводки в гараже, где учтены светильники, розетки и распределительный щиток;
компрессор и механические станки – если они находятся в помещении, их нужно также указать в схеме, поскольку для них потребуются отдельные линии от индивидуальных автоматов.
Схема электропроводки гаража поможет не только определить необходимое количество материалов, но и позволит оценить максимальную нагрузку за счёт суммарной мощности всех потребителей электроэнергии. Таким образом удастся верно подобрать вводные и отходящие кабели по сечению и номинальному току.
Ниже рассмотрим примерные схемы проводки в гаражах со смотровой ямой и без неё.
Схема для гаража без смотровой ямы
Чтобы провести электропроводку в помещении без смотровой ямы составьте список электроприборов, которыми будете пользоваться в гараже. В гаражном помещении, используемом лишь для парковки авто и мелкого ремонта, не нужно подключать большое количество розеток и светильников.
В целом простая схема должна включать в себя:
- вводной распределительный щит;
- устройство учёта;
- 1-2 розетки;
- 2 автоматических выключателя;
- 4 светильника;
- 1 одноклавишный выключатель;
- 1 УЗО;
- электропроводка.
Схема включения счетчика и защиты.
Простая схема имеет как преимущество, так и недостаток. Для парковки автомобиля достаточно нажать на выключатель и свет включится сразу во всём помещении. Кроме того подключив две розетки, одна из них будет присоединена к автоматам, а другая к одной цепи со светильниками.
Тогда, выключив свет, обесточится вторая розетка. В то же время её можно будет использовать лишь для маломощных приборов, иначе сгорят контакты выключателя.
Приведённая выше схема электроснабжения гаража является примерной и может оказаться неподходящей при мощном оборудовании. Если укрытие для машины многофункциональное, потребуется хорошее освещение и большее количество удобно расположенных розеток.
Схема проводки для помещения со смотровой ямой
Наличие смотровой ямы в гараже требует дополнительного освещения в подсобном помещении. Схема включает в себя все элементы, необходимые для гаража без ремонтной ямы, с добавлением светильников и специального трансформатора, понижающего напряжение.
Стоит учесть, что оборудование, которое планируется использовать в смотровой яме во время проведения ремонтных работ, должно быть рассчитано на это напряжение.
Необходимые инструменты и материалы для монтажа
В зависимости от типа монтажа электропроводки в гараже необходимо заранее подготовить инструменты:
- плоскогубцы и электрорезы;
- молоток;
- зубило;
- электродрель и перфоратор для работы в помещении из бетонных блоков;
- отвёртки – крестовая, шлицевая и индикаторная;
- изолента;
- приборы для измерения;
- материалы для разметки – удобно использовать специальный шнур;
- крепёжные элементы – шурупы и саморезы.
Важно помнить, рукоятки ручных инструментов должны быть из прорезиненного материала, если это не так – обмотайте их изолентой в несколько слоёв. Схема электропроводки и освещения.. Схема электропроводки и освещения
Схема электропроводки и освещения.
Помимо этого подготовьте необходимые материалы для проведения электричества в гараже:
- электрический кабель;
- светильники;
- выключатели;
- розетки;
- трансформаторы;
- гофрированные трубы;
- короба;
- переходники;
- УЗО;
- счётчик электроэнергии;
- подрозетники;
- распредкоробки;
- распределительный щиток.
Кабелю следует уделить особое внимание, поскольку он является главным составляющим элементом в работе по подключению гаража к электросети. Отличным вариантом будет кабель из меди, однако если нагрузка будет сравнительно небольшой, можно заменить его на алюминий.
Расчет нужного материала
После того как произведен предварительный расчет проводки в гараже своими руками, схема утверждена. Нужно осуществить закупку расходных материалов. Необходимо купить кабель для того чтобы провести проводку от ВЛ до прибора учета и от него же по всему гаражу. От железобетонной опоры до электронного счетчика обычно применяется СИП сечением более 10 квадрат. А для остальной схемы питания покупается кабель двух видов: медный трехжильный с сечением 4 — 6 квадрат, им осуществляется питание розеток, а так же медный трехжильный сечением 1,5 квадрата для питания осветительных приборов. Покупка кабеля производится с запасом на разделку и установления нужного резерва. Приобретаются розетки и осветительные приборы.
Разделительный трансформатор
Определение потребителей
Поскольку в гаражах часто делают мастерские, то следует заранее определить количество и примерную мощность потребителей электрэнергии. Отметим, что в этом разделе не будет рассматриваться освещение — для этого будет отдельная часть.
Электропроводка в гараже своими руками начинается с бумажной работы. Для начала определяется максимальное количество потребителей, их мощности и примерное месторасположение. Это связано с тем, что наиболее часто в гаражах работают электрическими инструментами и станками. Поэтому первым делом на листе бумаги стоит скрупулезно написать точное количество инструмента, мощность каждого в отдельности.
По мощности рассчитывают ток по следующей формуле: I=P/Ucosφ, при этом формула действует только для однофазных потребителей.
В формуле I — рабочий ток, U — напряжение питания, cosφ — коэффициент мощности. Для трехфазной сети в формуле появляется еще и корень из 3. После расчетов по ПУЭ (Правила Устройства Электроустановок), определяют сечение жил кабелей. Жил должно быть минимум 3 включая 1 желто-зеленую для защитного заземления. Кабель рекомендуется подбирать с медными жилами, при этом все кабеля рекомендуется брать из одного материала: если была выбрана медь, то все проводники — медные, если алюминий — то алюминиевые. Это связано с тем, что переход с меди на алюминий необходимо выполнять через специальные клеммы (просто соединять медь с алюминием нельзя).
Рассчитанные по этой формуле токи являются токами, которые будут протекать в системе, а их сумма будет являться потребляемым током. Под полученные значения необходимо подобрать автоматы. При этом автомат следует брать на ближайшее большее значение, а некоторые при расчете добавляют примерно 5-20% запаса. Это позволит установить дополнительное электрооборудование в будущем без особых дополнительных затрат.
Подключение розеток, которые предназначены для электрооборудования небольшой мощности следует выполнить медным трехжильным кабелем на 2,5 квадрат. Такой тип кабеля перекроет потребность в токе полностью.
Монтируем питающую схему
Монтаж проводки
Допустим, вам нет нужды осуществлять монтаж электропроводки по трехфазному исполнению и окажется хватит однофазной. Тогда проводка в гараже своими руками, схема которой вы утвердили, начинается с подготовки трасс для укладки кабеля. В кирпичной кладке с применением перфоратора или штробореза производятся штробы, размер штробы варьируется от толщины купленного вами кабеля.
При железном исполнении гаража или при желании возможно проложить трассы, используя кабельканалы или специализированные гофро — шланги металлического, а так же пластмассового исполнения. Распределительные коробки монтируются по классу защищенности не менее IP 44. Этот класс позволяет защитить скрутки от излишнего окисления. В распределительной коробке крепить жилы кабеля желательно с использованием специальных ваго — разъемов, но использование классических скруток так, же допустимо.
На каждую группу электроприборов выделяем собственный автомат: то есть освещение — автоматический выключатель, розетки — автоматический выключатель, компрессор — автоматический выключатель (компрессор выделяем отдельное питание, так как он относится к энергозатратнымприборам).
Монтаж
Монтаж электрического щита требует определенных навыков и поэтому надо заранее ознакомиться, как его устанавливать. Это поможет правильно выполнить монтажные работы. Установка оборудования осуществляется в три последовательных этапа:
- Крепление корпуса. Выбор способа установки зависит от типа проводки в гаражном помещении. Если она открытая, придется пользоваться навесным методом, при котором щит прикрепляют к стене шурупами на высоте 80-90 сантиметров. Если проводка скрыта, в стене делается специальная полость, в которую помещают щиток.
- Подсоединение счетчика. После установки корпуса щитка приступают к подключению счетчика. Большинство сетевых компаний настаивают на том, чтобы устройство подсоединяли к сети напрямую. Это предотвратит воровство электричества. Подключить счетчик можно самостоятельно или же воспользоваться услугами специалистов.
- Установка автоматов. Их подключают к щитку, чтобы можно было самостоятельно отсоединять отдельные электрические линии.

Какой должна быть правильная электропроводка?
Гараж – это личное место, необходимое для хранения автомобиля и проведения простых либо сложных ремонтных работ, подготовки к использованию транспортного средства. Здесь редко появляются чужие, но это не повод для уменьшения требований к безопасности, функциональности и надежности электропроводки. Хотя большинство владельцев с легкостью жертвуют внешним видом в угоду более важным параметрам.
Но без соблюдения простых правил не обойтись:
Техника безопасности предполагает проведение скрытой электропроводки в гараже. Различные кабели придется прокладывать в полости стен – это поможет защитить проводку от различных негативных воздействий.
Если гараж металлический, бетонный либо деревянный – это сделает невозможным проведение скрытой версии электропроводки. Однако можно опираться на гофрированные трубы, различные короба, металлорукава и другие виды похожих приспособлений.
Такой прибор не сложно изготовить, но потребуются стержни из металла с диаметром примерно в 15-16 мм. Далее они фиксируются вертикальным способом по верхней части для этого используется полоска из стали на основе правильного заземления. Уровень сопротивления этого устройства не должен превысить 3-4 Ом.
Обычно в гараже сложно избавится от сырости, что вынуждает относить его к помещениям с повышенной опасностью. Из-за этого рекомендуется использовать выключатели, различные осветительные приборы, розетки на основе класса IP44 или выше. Для наглядного знакомства с тем, как это должно выглядеть ознакомьтесь с фото электропроводки в гараже любого типа.
Если планируется обустройство полноценной мастерской или ее подобия необходимо заранее обеспечить трехфазный вариант вводной части электропроводки. Рекомендуем использовать кабеля из меди на основе сечения с размером около 10 мм2 и распределительного щитка, обладающего примерно 18 либо 20 модулями.
Важно: Для установки трехфазной системы потребуется разрешение. Придется получить его от энергетической службы чтобы законно использовать объект с таким оборудованием.
Для чего необходим электрощиток и что надо предусмотреть
Прежде чем оснащать помещение электричеством, придется определить, для чего их устанавливают. Выделяют несколько разновидностей приборов, которые имеют разное предназначение. К ним относят:
- Устройства вводно-распределительного типа. Такие модели устанавливаются, если надо принять электрическую энергию от сети или трансформатора. Оборудование оснащено приборами, которые отвечают за подсчет расходованного электричества, и дополнительными защитными панелями.
- Распределительный щиток. По своим функциональным возможностям устройство напоминает предыдущую модель. Однако оно более функциональное, так как в нем устанавливаются элементы учета израсходованной энергии и приборы для контролирования работоспособности щитка.
- Щит резервного типа. В приборе имеются специальные компоненты, которые при серьезных авариях на линии переключаются на резервные источники электроэнергии.
- Обогревательный. Используют для подключения оборудования, которое отвечает за обогрев и освещение помещения.
Порядок монтажа электропроводки в доме пошагово
- Подготовьте стены – в случае внутреннего расположения электропроводки в стенах дома производится штробление при помощи болгарки, зубила или специального штробореза.
- При наружной установке на готовую разметку устанавливается основа кабель-канала. Начинается эта процедура от счетчика электроэнергии или места его предполагаемой установки. Если такая электропроводка по конструктивным особенностям дома будет скрыта под натяжным потолком или другими элементами, ее можно прокладывать кабелем без защиты.
- Просверлите отверстия под розетки и выключатели – выполняется в случае внутренней установки данного оборудования. Для этого применяется дрель со специальной коронкой соответствующего диаметра.
Сначала сделайте небольшую дырку по центру сверлом, а потом используйте коронку.
Рисунок 9: разработка отверстия коронкой
- Проложите провода в штробы. Если их габариты соизмеримы и электропроводка легко фиксируется в отверстиях, то можно не применять специальные средства для крепления проводов.
Но при этом, следите за тем, чтобы чрезмерные усилия не привели к повреждению изоляции.
- Установите коробки для соединения проводов, под выключатели и розетки. При этом можете использовать разнообразные смеси для монтажа – цемент, шпаклевку, гипс и т.д., необходимые для фиксации коробки в стене дома.
- Заведите проводку в коробки – для этого проденьте кабель в нужные отверстия, в некоторых моделях их нужно выломать несильным надавливанием в определенных точках.
- Установите светильники – подсоедините электропроводку к патрону или выводам устройства. Если установка люстры или софитов планируется только после отделочных работ, провода в этом месте зачищаются, и на них устанавливается временный патрон для проверки работоспособности.
- Соберите распределительный щит – для этого на каркас набирается нужное число автоматов из расчета 4 – 6 кВт нагрузки на каждый.
Помимо выделенных для отдельный комнат или объектов необходимо установить вводный автомат с большей уставкой. Его устанавливают на вводе электричества в дом. Также можно использовать другие защитные устройства (по напряжению, дифференциальные и прочие, если такие нужны).
- Подключите необходимые устройства для опробования.
Для этого подайте напряжение на вводе кабеля к электрическому щитку. После чего опробуйте протекание электрического тока во всех точках подключения при помощи контрольной лампы или опробуйте наличие потенциала при помощи индикатора.
- Выполните отделочные работы по нанесению шпаклевки или цементной смеси для скрытия проводки. Данная работа выполняется обязательно со снятым напряжением.
- После этого установите необходимые элементы электрической сети: розетки, выключатели, светильники и т.д. Подключите фазные и нулевые провода к соответствующим выводам. Если нет необходимости подключения к внешней сети, можете спокойно пользоваться готовой электропроводкой.
Схема электропроводки
Принцип типовой проводки в гараже по схеме сходен с электрификацией квартиры или офиса. Здание используется как техническое, поэтому приоритетны надежность и безопасность эксплуатации.
При создании первичной схемы знатоки рекомендуют нанести графически на стены расположение элементов, всю разводку системы. Такой рисунок покажет допущенные огрехи, позволит убедиться в корректном расположении элементов. Нужен правильный расчет с учетом понижающего напряжение трансформатора. Проведение работ при трехфазной сети потребует согласования с Энергонадзором
Проект принимает во внимание наличие силовой схемы кооператива, расположение честного дома с электропитанием, отдельное размещение с удаленными коммуникациями
Ввод проводов возможен через крышу или подземным способом. Сечение всех кабелей выбирается с учетом мощности имеющихся приборов: существуют специальные таблицы и формулы для расчета. Если работы ведутся самостоятельно, то схема электропроводки гаража применяется во всех случаях сходная. Потребуется четко указать:
- Способ подключения к внешней силовой линии и ввод кабеля в помещение.
- Расположение вводного автомата на 220 вольт.
- Подключение ноля и фазы к электросчетчику.
- Расположение самого электросчетчика.
- Отводы и размещение автоматов розеточной группы, осветительной сети.
- Разводку электропроводки в розеточной группе и прокладывание провода к выключателям, источникам освещения.
Смотровая яма
Смотровая яма: используются трансформаторы, понижающие риски при дальнейшей эксплуатации сети. Можно выбрать провода, подверженные оплавлению и горению, но надежно укрыть их в трубах. Или подойдут марки ВВГ нг, инертные к горению.
Схема внутреннего освещения предусматривает применение медного кабеля сечением 31,5мм2, для розеток под приборы — 34мм2. Заземление, идущее от общего щитка, предполагает оптимальное сечение 6 мм2.
Дополнительная защита — монтаж раздельных УЗО на осветительные элементы или розетки. В качестве гарантии безопасности при сборке системы стоит использовать реле контроля напряжения. При неисправности проводки этот блок обесточивает схему, исключает поломку электрооборудования. Желательно крепить блок на рейку во вводном распределительном щите.
Проводка в капитальном строении своими руками обязательно предусматривает наличие вводного щита с разводкой проводов, общего освещения и розеточной группы в основном пространстве, а также местной подсветки (лампа над верстаком или в смотровой яме, подвале).
Как самостоятельно сделать монтаж проводки







